| 适用介质 | 不腐蚀镍基耐腐蚀合金,SUS316L的气体和液体 |
|---|---|
| 压力类型 | 表压 |
| 工作压力 | 0~ -100 kPa 0~100 kPa 0~1000 kPa -100~100 kPa -100~300 kPa |
| 工作温度 | 0 ~ 50℃(电路部件) 0 ~ 150℃(接液部分) |
| 补偿温度 | 100 ~ 150℃(接液部分) |
| 工作湿度 | 35 ~ 85%RH(无洁露或结冰) |
| 储存温度 | -20 ~ 70℃(气压,湿度65%以下) |
| 绝缘电阻 | 50MΩ以上(125VDC) |
| 耐电压 | 125VAC, 60s(漏电流 1mA以下) |
| 受压元件材质 | SUS316L 镍基耐蚀合金 |
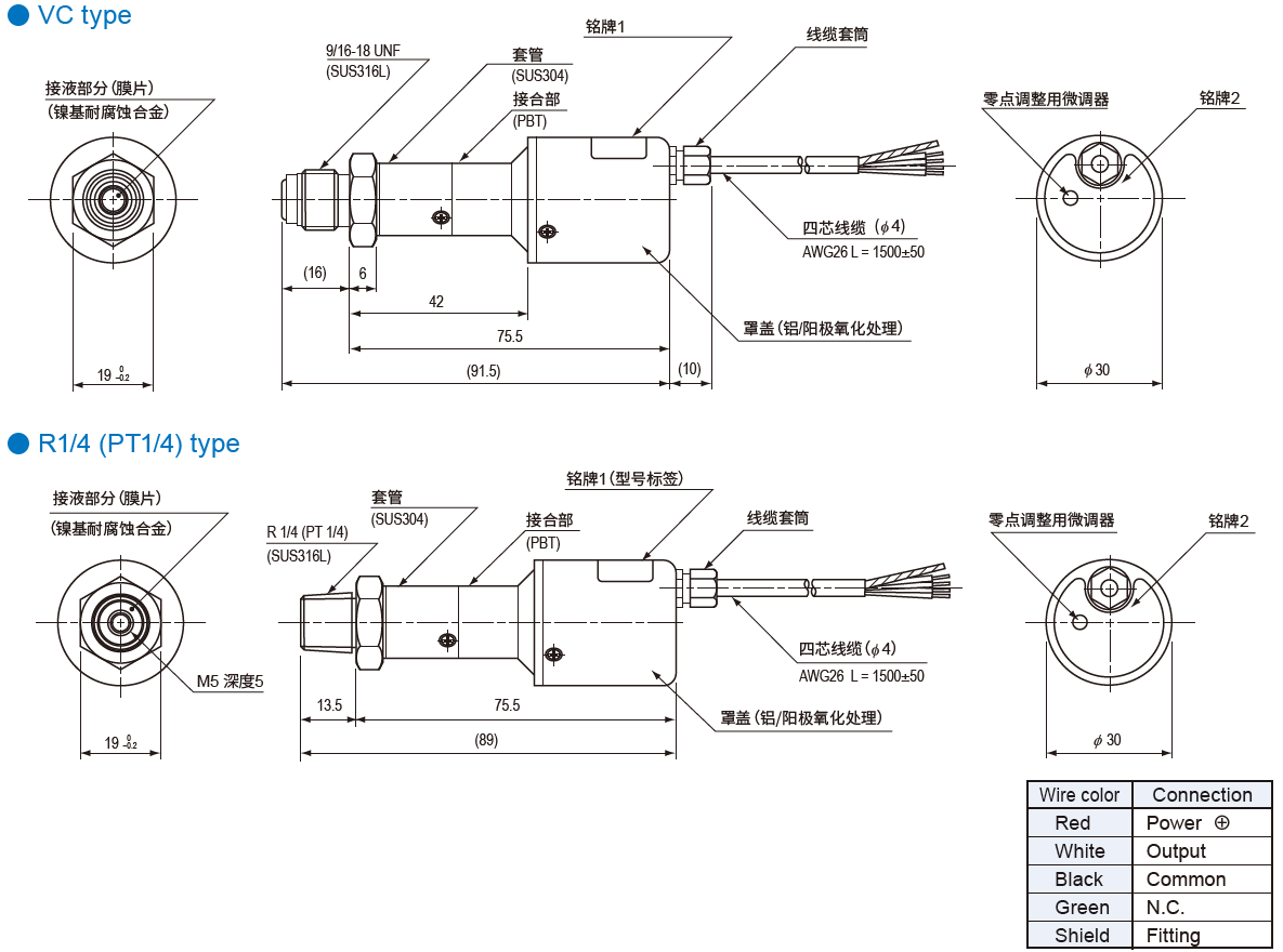
| 压力端口 | 9/16-18UNF, R1/4 |
| 质量 | 约 100g |
| 电源电压 | 12 ~ 24±10%VDC |
| 涟波含量 | 10 %(P-P)以下 |
| 电流消耗 | 20 mA以下 |
| 批准 | UL认证 |
| PA-930- | 102R- | VC |
|---|---|---|
| 系列名称 | 压力量程 102V:0 ~–100 kPa(表压-负压) 102G:0 ~100 kPa(表压) 102R:–100 ~100 kPa(表压-复合压) 103G:0 ~ 1000 kPa(表压) 302R:–100 ~300 kPa(表压-复合压) |
接头形状 VC:9/16-18UNF R2:R1/4 (PT1/4) |
| 型号 | 额定压力 | 压力端口 |
|---|---|---|
| PA-930-102V-VC | 0 ~ −100kPa | 9/16-18UNF |
| PA-930-102G-VC | 0 ~ 100kPa | 9/16-18UNF |
| PA-930-102R-VC | −100 ~ 100kPa | 9/16-18UNF |
| PA-930-302R-VC | −100 ~ 300kPa | 9/16-18UNF |
| PA-930-103G-VC | 0 ~ 1000kPa | 9/16-18UNF |
| PA-930-102V-R2 | 0 ~ −100kPa | R1/4 (PT1/4) |
| PA-930-102G-R2 | 0 ~ 100kPa | R1/4 (PT1/4) |
| PA-930-102R-VC | −100 ~ 100kPa | R1/4 (PT1/4) |
| PA-930-302R-R2 | −100 ~ 300kPa | R1/4 (PT1/4) |
| PA-930-103G-R2 | 0 ~ 1000kPa | R1/4 (PT1/4) |
◆无特殊记载时,均为接液温度125 ± 5°C、环境温度25 ± 5°C、驱动电压24 VDC下的规格标准。
| 压力范围 | 102V | 102G | 102R | 302R | 103G |
|---|---|---|---|---|---|
| 额定压力 | 0 ~ − 100kPa | 0 ~ 100kPa | − 100 ~ 100kPa | − 100 ~ 300kPa | 0 ~ 1000kPa |
| 输出电压 | 1 ~ 5 V | ||||
| 零电压*1 | 1 ± 0.04 V | 3 ± 0.04 | 2 ± 0.04 | 1 ± 0.04 V | |
| 跨度电压*1 | 4 ± 0.04 V | ||||
| 输出电流 |
小于1 mA |
||||
| 线性/滞后 | ± 0.5%F.S. | ||||
| 温度特性 | ZERO: ±0.10 %F.S./°C (100~150 °C, 参考温度在 125 °C) SPAN: ±0.10 %F.S./°C (100~150 °C, 参考温度在 125 °C) |
||||
| 响应速度 | Approx. 2 ms | ||||
*1:接液温度:125°C 环境温度:25°C
| 测试项目 | 测试方法(条件 25 ± 5 °C) | 变化量 |
|---|---|---|
| 耐振動 | 10 ~ 500 Hz, 1.5 mm maximum/98.1 m/s2 , 3 directions for 2 hours each |
零电压、全标度电压 : 各自最大值± 1%F.S. |
| 耐冲击 | 490 m/s2 3 directions for 3 times each | |
| 压力周期 | 0 〜额定压力、106 cycles | |
| 防潮性 | 40 °C, 90 ~ 95 %RH, 240 hrs. |


关注官方微信公众号,了解更多详情