
短机身按钮开关
采用机身长度仅为10mm的短机身结构,实现了设备的小型化和节省空间 可选择印刷电路板安装方式或面板卡扣式安装方式 符合RoHS规范
| 电路 | SPST |
|---|---|
| 端子类型 | 焊片 PC Straight |
| 安装类型 | 面板安装 通孔 |
| 开关功能 | ONーON ON-(ON) |
| 工作温度 | −15~+60℃ |
| 储存温度 | −25℃〜+70℃ |
| 密封性 | 无可水洗 |
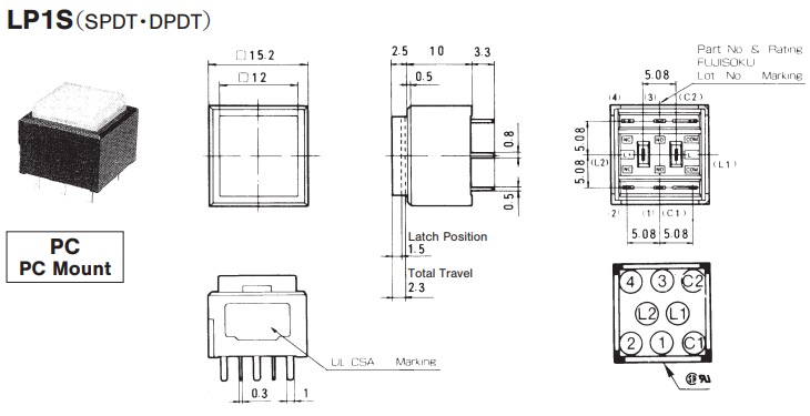
①端子形状

②LED规格

③面板开孔图

④印刷电路板加工尺寸

⑤可选配件

⑥外形尺寸图









⑦安装方法


| 焊接 | ①手工焊接:焊锡铁/270℃以下,5秒以内 ②回流焊装置:喷射式或浸入式/245±10℃ ,5秒以内 ③预热时间应为最多30秒,最高温度为100℃以下。 ④推锁类型,请在解除锁定的状态下进行焊接。 |
|---|---|
| 清洗 | ①溶剂:氟或醇类。 LP系列不耐洗涤。 ②清洗PC板,用刷子清洁PC板的焊接表面。 ③焊接后,等待端子的温度冷却到90℃以下或者在室温下放置5分钟以上以后再洗净。 |
| 操作部 | ①要启动开关,请将按键帽完全按到底。如果未完全按下,可能无法完成切换或锁定。按键帽的按压力应不超过9.8N。 ②请使用蘸有酒精的软布清洁按键帽表面。请勿让液体进入开关本体。由于按键帽和滤光片采用聚碳酸酯树脂制成,请勿使用稀释剂、酸类、有机溶剂等。 ③按键帽和滤光片可以进行雕刻或印刷。雕刻深度应不超过0.3mm,使用的搪瓷漆涂层厚度应不超过0.1mm。 ④薄膜插片应按照左图所示的尺寸裁剪(厚度为0.1mm)。薄膜插片由客户自行提供。 ⑤按键帽和滤光片是两个独立的部件。拆卸按键帽时应在其处于上升位置时进行,以避免损坏开关。 |
| 关于LED | ①LED 的极性标示在开关底部。连接时应按照标示进行。 ②带灯开关中未内置保护电阻。保护电阻需由客户自行集成。 ③关于流经 LED 的电流,请参考 LED 的规格说明。 |
| 额定 | 最大 :0.4 VA AC/DC ・Voltage 20 mV~48 V ・Current 0.1 mA~50 mA 最小: 20 mVAC/DC 0.1 mA |
|---|---|
| 初始接触电阻抗 |
100 mΩ max. (1.5 mA 200 µVAC) |
| 介电强度 | 1,500 VAC 1 minute |
| 绝缘电阻 | 1100 MΩ min. (500 VDC) |
| 触点抖动 | 10 msec. max. |
| 电气寿命 | 50,000 operations (50 mA 48 VAC/DC) 200,000 operations (0.4 VA AC/DC) |
| 操作力 | 1 pole:1.47±0.98 N 2 poles:2.26±0.98 N |
| 行程 |
总行程:2.3 mm 备用锁定行程:1.5 mm |
| 型号 | 极数 | 开关功能 | 接点材质 | 盖帽颜色 | 外壳・端子形状 | 盖帽形状 |
|---|---|---|---|---|---|---|
| ☆LP1S-16G-W-Z | 1 | ON -(ON) | 镀金 | 白 | 没有法兰·PC 针脚 | □12×12mm |
| ☆LP1S-16G-R-Z | 1 | ON -(ON) | 镀金 | 赤 | 没有法兰·PC 针脚 | □12×12mm |
| ☆LP1S-16G-K-Z | 1 | ON -(ON) | 镀金 | 黒 | 没有法兰·PC 针脚 | □12×12mm |
| ☆LP1S-16G-G-Z | 1 | ON -(ON) | 镀金 | 灰色 | 没有法兰·PC 针脚 | □12×12mm |
| ☆LP1S-17G-K-Z | 1 | ON - ON | 镀金 | 黒 | 没有法兰·PC 针脚 | □12×12mm |
| LP1S-26G-W-Z | 2 | ON -(ON) | 镀金 | 白 | 没有法兰·PC 针脚 | □12×12mm |
| LP2S-16G-W-Z | 1 | ON -(ON) | 镀金 | 白 | 没有法兰·PC 针脚 | □12×12mm |
| ☆LP2S-16G-R-Z | 1 | ON -(ON) | 镀金 | 赤 | 没有法兰·PC 针脚 | □12×12mm |
| ☆LP2S-26G-W-Z | 2 | ON -(ON) | 镀金 | 白 | 没有法兰·PC 针脚 | □12×12mm |
| 型号 | 极数 | 接点材质 | 开关功能 | 外壳・端子形状 | 盖帽尺寸 | LED色调 | 盖帽颜色 | 平板颜色 |
|---|---|---|---|---|---|---|---|---|
| ☆LP1S-27G-229-Z | 2 | 镀金 | ON - ON | 没有法兰·PC 针脚 | □12×12mm | 红 | 红 | ー |
| ★LP1S-27G-209-Z | 2 | 镀金 | ON - ON | 没有法兰·PC 针脚 | □12×12mm | 红 | 透明 | 白透明 |
| ★LP1S-16G-509-Z | 1 | 镀金 | ON -(ON) | 没有法兰·PC 针脚 | □12×12mm | 绿 | 透明 | 白透明 |
| ★LP1S-16G-809-Z | 1 | 镀金 | ON -(ON) | 没有法兰·PC 针脚 | □12×12mm | 黄 | 透明 | 白透明 |
| ★LP1S-16G-202-Z | 1 | 镀金 | ON -(ON) | 没有法兰·PC 针脚 | □12×12mm | 红 | 透明 | 红透明 |
| ★LP1S-26G-505-Z | 2 | 镀金 | ON -(ON) | 没有法兰·PC 针脚 | □12×12mm | 绿 | 透明 | 绿透明 |
| ☆LP2S-26G-229-Z | 2 | 镀金 | ON -(ON) | 带法兰·焊接端子 | □12×12mm | 红 | 红 | ー |
| ★LP2S-27G-509-Z | 2 | 镀金 | ON - ON | 带法兰·焊接端子 | □12×12mm | 绿 | 透明 | 白透明 |
| ★LP2S-26G-202-Z | 2 | 镀金 | ON -(ON) | 带法兰·焊接端子 | □12×12mm | 红 | 透明 | 红透明 |
| ★LP2S-16G-505-Z | 1 | 镀金 | ON -(ON) | 带法兰·焊接端子 | □12×12mm | 绿 | 透明 | 绿透明 |
关注官方微信公众号,了解更多详情