
小型按钮开关
用于设定和复位 用于启动或激活某个功能或状态 例如,启动电路、开启设备等 用于将设备恢复到初始状态或关闭某个功能 例如,清除错误状态、关闭电路等 符合RoHS规范
| 电路 | SPST |
|---|---|
| 端子类型 | 焊片 |
| 安装类型 | 面板安装 |
| 开关功能 | ONー(OFF) OFF-(ON) |
| 密封性 | 无可水洗 |
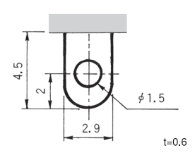
①端子形状

②开关特性

③面板开孔图

④外形尺寸图

⑤标准配件

| 最大额定 | AC125V 3A (电阻负载) |
|---|---|
| 初始接触电阻 | 20mΩ以下 (DC2~4V 1A) |
| 耐电压 | AC1000V一分钟 |
| 绝缘电阻 | 100MΩ以上 (DC500V) |
| 电气寿命 | 5,000次 |
| 焊接规格 | 1. 手工焊接 设备:烙铁 2. 最高温度:380°C,持续时间:3秒 |
| 型号 | 极数 | 端接样式 | 开关特性 | 触点电镀 |
|---|---|---|---|---|
| MSP103B-Z | 1 bit | 焊接端子 | ON -(OFF) | 镀银 |
| MSP103C-Z | 1 bit | 焊接端子 | OFF -(ON) | 镀银 |
关注官方微信公众号,了解更多详情