尼得科/NIDEC

在本网站内搜索

在本网站内搜索

在本网站内搜索

在本网站内搜索

产品搜索

可以按照用途、规格及性能的关键词,对NIDEC(尼得科)集团各公司经营的商品进行检索。

可以按照用途、规格及性能的关键词,对NIDEC(尼得科)集团各公司经营的商品进行检索。

关闭

Menu

首页 按用途查找产品 商业/娱乐 其他/全般 开关 按钮开关 LTM3-02

返回上一页

按钮开关 LTM3-02

超小型按键开关

端子为一体化连接器设计,无需 PCB实现一键式安装 应用游戏机的操作按钮 应用各种设备的信号输入按钮 符合RoHS规范

特点
卡入式面板安装 只需插入面板孔即可固定 采用圆顶形触点,实现清脆的点击手感

产品参数

基本信息

电路 SPST
端子类型 连接器
安装类型 卡入式面板安装
开关功能 OFFー(ON)
工作温度 −25〜+70℃
储存温度 −40〜+70℃
密封性 无可水洗

产品信息

设计图

①开关特性

②面板开孔图

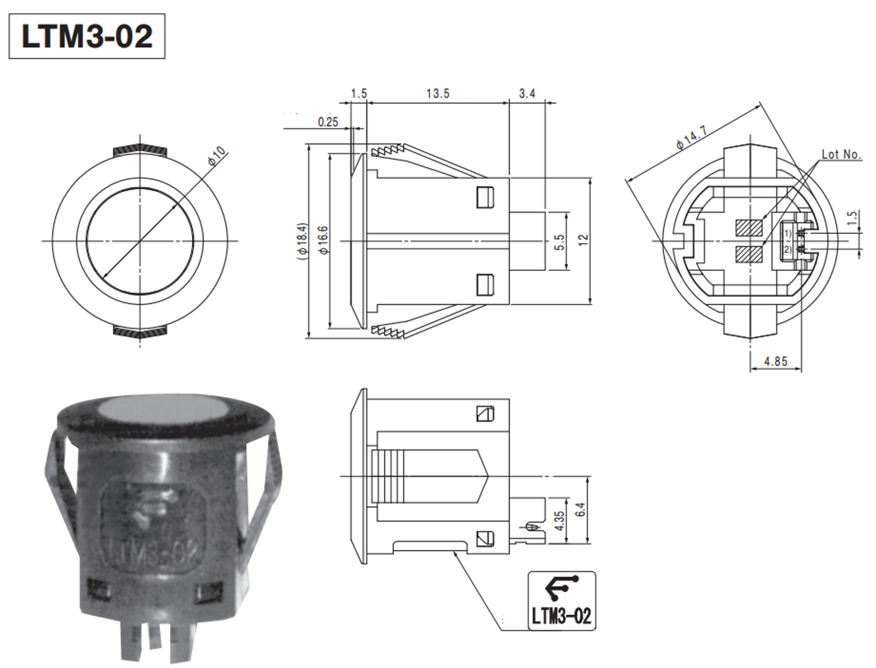
③外形尺寸图

使用注意事项

清洁

开关的框架采用聚酰胺树脂制成,按钮部分则使用ABS树脂。请使用酒精或水擦拭主体,确保清洁剂不会渗入开关内部。请勿使用有机溶剂,以免造成产品损坏。

面板开孔

在进行面板开孔时,请从面板正面进行冲压。同时请确保从面板正面安装开关,这样开关两侧的安装弹簧才能卡住孔的边缘。

按钮强度

请勿施加超过9.8牛顿的压力按下按钮,否则可能导致开关底部弹出。

标准规格

额定 1VA max. (50mA max.48VDC max) 0.5mA min.
初始接触电阻 100mΩ以下(AC200μV 1.5mA 1.96N 负载下)
耐电压 AC250V 一分钟
绝缘电阻 100MΩ 以上(100VDC)
电气寿命 30万次
触头弹跳 10 msec. 以下(初始值)
行程 0.25 mm
操作力(峰值负荷) 1.37±0.39N
工作温度范围 -25~+70℃
储存温度范围 -40~+70℃
适用连接器 ZHR-2(Housing)by J.S.T. MFG CO.,LTD.

型号一览表

型号 按钮色调 端接样式
★LTM3-02-K 连接器
LTM3-02-G 连接器
★LTM3-02-R 连接器
★LTM3-02-M 绿 连接器
★LTM3-02-W 连接器
★: 定制产品

关联信息

产品咨询

关注官方微信公众号,了解更多详情

返回上一页