| 电路 | SPDT |
|---|---|
| 端子类型 | 鸥翼 Right angle |
| 安装类型 | 表面贴装,直角 |
| 开关功能 | ONー(ON) |
| 工作温度 | -−40〜+85℃ |
| 储存温度 | −40〜+85℃ |
| 密封性 | 可水洗 |
①开关特性

②可选配件

③安装彩色盖帽

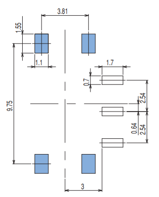
④印刷电路板孔尺寸

⑤外形尺寸图

| 额定 | 最大:0.4VA( DC28V Max.)(电阻负载) 最小:DC20mV 1μA (电阻负载) |
|---|---|
| 初始接触电阻 | 80m Ω Max.(1.5mA 1kHz 20mV 以下) |
| 耐电压 | AC500V 一分钟 |
| 绝缘电阻 | 500MΩ(DC500V) |
| 行程 | 1.1mm |
| 操作力 | 1.5N±1N |
| 电气寿命 | 最大额定下 50,000次 |
| 切换时机 | 非短路 |
| 清洁规格 |
①清洗时请使用水或酒精作为溶剂。此外,请特别注意溶剂的使用方式。 ②清洗方法仅限于浸泡式清洗。清洗时间最长为2分钟,但请尽可能缩短清洗时间。 ③焊接后进行清洗时,请等待开关温度冷却至室温(30°C以下)后再进行。 ④清洗后必须充分干燥产品。干燥不充分可能导致扭矩波动或电气损坏。 |
|---|---|
| 焊接规格 |
①手工焊接 装置:烙铁 350℃, Max.; 3-4 seconds, Max ②回流焊: 回流焊次数:2次
|
| 型号 | 极数 | 开关特性 | 端接样式 | 接触材料 | 梱包仕様 |
|---|---|---|---|---|---|
| CFPA-1FB4-A2T | 1极 | ONー(ON) | 鸥翼式 Right angle | 镀金 | Taping |
| CFPA-1FB4-A2W | 1极 | ONー(ON) | 鸥翼式 Right angle | 镀金 | Tray |
关注官方微信公众号,了解更多详情